







10 661 ₴
10 540 ₴
Навісна система на 3 точки, призначена для оснащення заводських мототракторів з одноточковим причіпним вузлом. Використання триточкової системи дозволяє розширити діапазон навісного обладнання та можливості його налаштування.
Переваги навісної системи СЦ37
У порівнянні з ранніми моделями досягнута велика універсальність застосування за рахунок використання в конструкції спеціальних технічних рішень.
Для уточнення сумісності мототрактора з навісною системою потрібно порівняти відстані між кріпильними отворами на каркасі зчіпки і на коробці перемикання передач мототрактора.
Крім цього, слід виміряти хід штока поршня підйомного механізму. Підйомний механізм зчіпки ефективно працює при ході штока 140-160 мм.
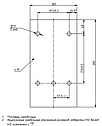
Конструкция универсальной навесной системы
Основний вузол зчіпки – каркас. Він має в своїй основі сталеву плиту розміром 300 × 160 мм. Товщина плити – 10 мм. У плиті зроблені 5 кріпильних отворів діаметром 13 мм. Відстані між цими отворами потрібно порівняти при перевірці сумісності зчіпки і трактора. До каркаса кріпляться кронштейни талрепів і гідроциліндра. По центру розміщений кронштейн верхнього талрепа. Він складається з двох частин, які виготовлені зі сталевої полоси завтовшки 10 мм. У нижній частині хрестовини розміщені кронштейни з осями і проставками. Вони призначені для установки важелів і талрепів з приєднувальним вузлом. Важелі триточкової навісної системи виготовлені з двох зварених між собою сталевих смуг шириною 50 мм і товщиною 8 мм.
У верхній частині каркаса встановлений поворотний вузол з кріпленнями під вертикальні талрепи і гідроциліндр.
Перед покупкою триточкової навісної системи уважно вивчіть процес установки і конструктивні особливості навісної системи і трактора. За необхідності проконсультуйтеся стосовно усіх необхідних приєднувальних розмірів і перевірте відповідність зі своїм агрегатом. У різних партіях мототракторів можливі незначні відміннності конструктиву. Рамка кріплення крил мототрактора може впиратися в триточкову навісну систему. У цьому випадку можуть знадобитися доопрацювання.
Комплектація навісної системи:
Вага комплекту – 40,5 кг.
| Основні атрибути | |
|---|---|
| Виробник | ПТМЗ |
| Країна виробник | Україна |
| Стан | Новий |
| Призначення комплектуючого | Елементи зчеплення |